Nové produkty
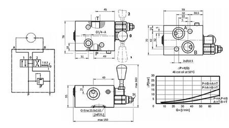
MANUÁLNÍ VENTIL PRO HYDRAULICKÝ MOTOR MS OTEVŘENÉ CENTRUM - 50LIT
Popis:
Manuální ventil je namontován přímo na hydraulickém motoru a slouží k jeho přímému ovládání.
Páka ventilu umožňuje zapnutí a vypnutí, stejně jako změnu směru otáčení hydraulického motoru.
Ventil 'OTEVŘENÉ CENTRUM'- V neutrální poloze se hydraulický motor neotáčí. Není hydraulicky poháněn, ale hřídel hydraulického motoru se může otáčet vlastní setrvačností nebo setrvačností zatížení.
Nejčastěji se používá v aplikacích, kde chceme, aby se pohon zastavil se setrvačností zatížení nebo mít možnost samootáčení pohonu - hydraulického motoru.
Ventil 'UZAVŘENÉ CENTRUM'- V neutrální poloze se hydraulický motor otáčí, což znamená, že setrvačnost zatížení ho také nemůže otáčet.
Nejčastěji se používá v aplikacích, kde chceme, aby se pohon okamžitě zastavil a zůstal stát poté, co je pohon - hydraulický motor vypnutý.






