Nové položky
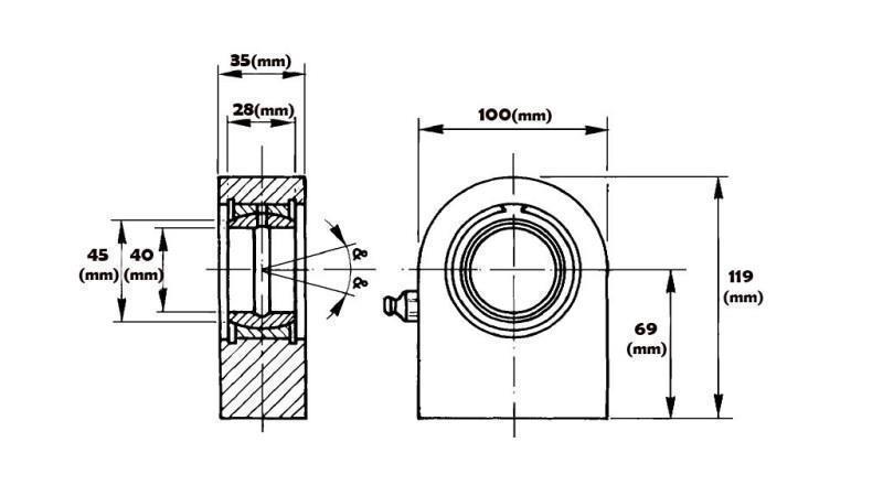
OKO NAVAROVACIE NA VALEC - PLOCHÝ KĹB FI 40/100
Kód
11523
OEM
9990000020607
Sadzba dane
22 %
Cena bez DPH:
24,59 EUR
Cena s DPH
30,00 EUR
Ref:
31
Očné guľové ložiská GE
– tvarovky na zváranie oka sú určené na zváranie na hydraulických valcoch, tyčiach, podperách a iných podobných častiach, kde je potrebný pohyb. Svojou konštrukciou sú určené pre vyššiu záťaž alebo nosnosť. Vďaka samotnému dizajnu nevyžadujú špeciálnu údržbu a tým je ich životnosť pomerne dlhá.
Dodávateľ:
Taliansko
maximálne dynamické zaťaženie:
10 ton
štandard:
DIN 648, séria E, typ C
Vrátenie alebo výmena:
14 dní
Záruka:
6 mesiacov







