Produse Noi
IEȘIRE PENTRU POMPĂ HIDRAULICĂ - ZF- MB 800 LATERAL
Cod produs:
12857
OEM:
9990000080908
Rata impozitului
22 %
Preț fără TVA:
2.188,26 RON
Preț cu TVA:
2.669,68 RON
Ref:
5
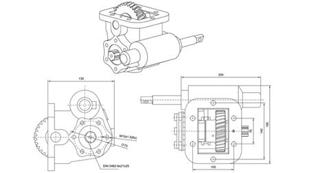
Descriere:
Ieșirile sunt potrivite pentru vehicule comerciale unde există nevoie de instalarea unei pompe hidraulice. Este posibil să se instaleze o pompă din fontă de tip:
ISO (pompă pentru atașare cu trei (3) șuruburi)
UNI (pompă pentru atașare cu patru (4) șuruburi)
Potrivit pentru cutii de viteze de tip:
ZF ECOLITE S5 - 42 (5.72)
Potrivit pentru vehicule:
8,150 - 8,153 - 10,153 - 10,163 - 10,185 MAN / MB 800 - 1215 - 1517 - ATEGO MERCEDES BENZ / 45LF - 170 DAF 45, 120
-45,130 - 45,150 - 45,160 - 50,130 - LEYLAND DAF / RENAULT S120, 07 - S120,08 - 135 - 370 - MIDLUM 302 - 304 - 306 -
313 - 317 LEYLAND / 45LF, 150 - 45LF, 170 / MERCEDES VARIO LEICHT, 614 - 712 - 715 - 812 - 814 - 815
Furnizor:
Turcia
Type:
ISO (3 șuruburi)
Returnare sau schimbare:
14 zile
cuplu:
206 Nm
control:
mecanic
Revoluții:
1000 rpm
greutatea produsului:
13 kg
Garanție:
6 luni
montare:
dreapta
Load:
26.8 CP (20 kW)
raport de transmisie:
1:0.8






