Produse Noi
ACCESORIU PENTRU POMPA HIDRAULICĂ - VOLVO R6-1
Cod produs:
12879
OEM:
9990000081127
Rata impozitului
22 %
Preț fără TVA:
437,65 RON
Preț cu TVA:
533,94 RON
Ref:
1
Descriere:
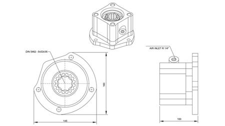
Accesoriile sunt potrivite pentru camioane unde există necesitatea de a instala o pompă hidraulică. Este posibil să se instaleze o pompă din fontă de tip:
ISO (pompă pentru atașare cu trei (3) șuruburi)
UNI (pompă pentru atașare cu patru (4) șuruburi)
Potrivit pentru cutii de viteze de tip:
R 62-SR61-R62/MR 62 B
Potrivit pentru vehicule: Volvo
F 7-F 10-F 12-F 88-F 89-F 1020-F 1225-N 10-N 12 VOLVO
Furnizor:
Turcia
Type:
UNI (4 șuruburi)
Returnare sau schimbare:
14 zile
cuplu:
245 Nm
control:
pneumatic
Revoluții:
780 rpm
greutatea produsului:
6 kg
Garanție:
6 luni
montare:
spate
Load:
26.5 Cp (19.8 kW)
raport de transmisie:
1:1.2






