Novi proizvodi
MULTIPLIKATOR GR.3 - 1:3 - MUŠKI (ULAZ) / MUŠKI (IZLAZ)
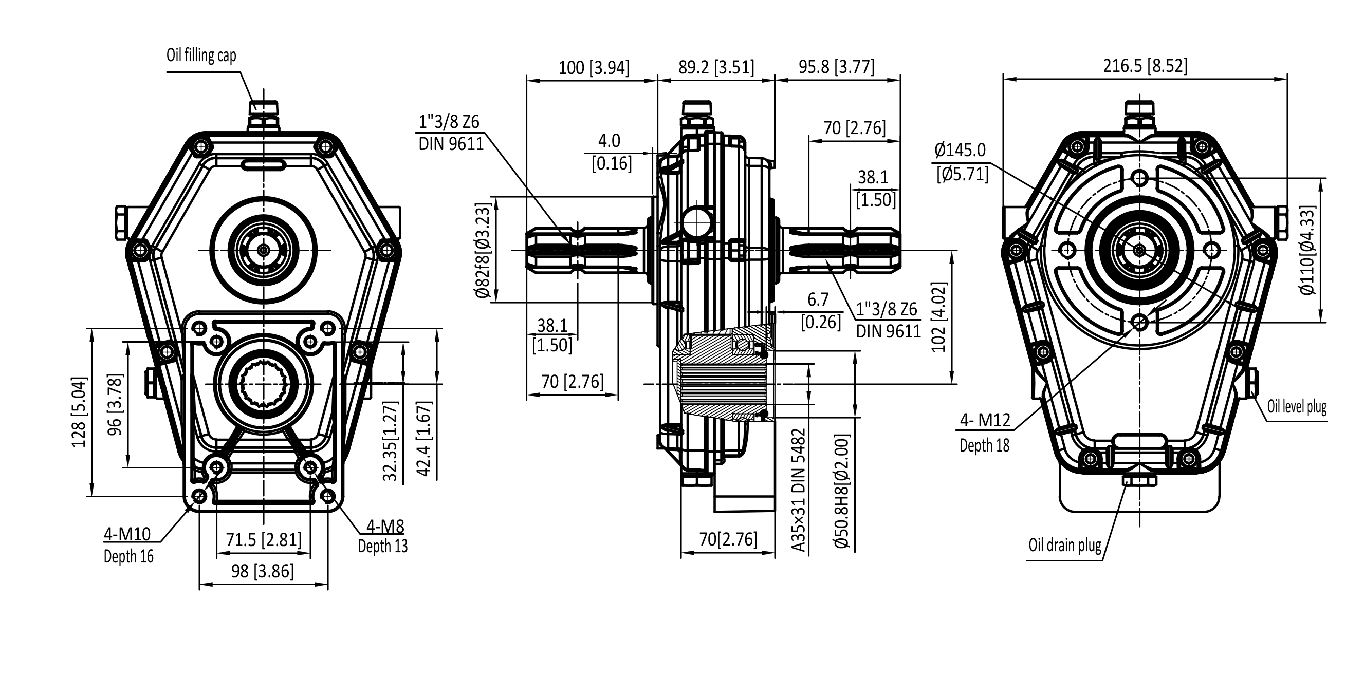
| Tehničke informacije | |
| Dobavljač: | Kina |
| Povrat ili zamjena: | 14 dana |
| Jamstvo: | 6 mjeseci |
| Omjer prijenosa: | 1:3 |
| Za hidraulične pumpe: | GR. 3 |
| Spoj: | PTO osovina s obje strane - 1" 3/8 – 6 zubi (muški) |
| Ulazna brzina: | 540 o/min |
| Ulazni moment: | 49 daNm |
| Izlazna brzina: | 1620 o/min (maks. 3000 o/min) |
| Izlazni moment: | 16 daNm |
| Opterećenje: | do 20 kW |
| Težina proizvoda: | 8,3 kg |
| Mazivo za prijenosnik: | ulje SAE 90 |
DIMENZIJE

UPUTE ZA UPOTREBU
1. Namjena
Prijenosnik je mehanički prijenosnik koji povećava brzinu rotacije izlazne osovine i omogućuje rad hidraulične zupčaste pumpe putem PTO osovine traktora.
Koristi se za pogon:
- hidrauličnih pogonskih jedinica,
- šumarskih vitla,
- cijepalica drva,
- ostale hidrauličke opreme.
2. Položaj ugradnje
Prijenosnik mora biti ugrađen u ispravan radni položaj kako bi se osiguralo pravilno podmazivanje zupčanika. Preporučena je horizontalna ugradnja, stoga pumpa i prijenosnik trebaju biti poravnati u horizontalnoj ravnini.
Važno:
- prijenosnik mora uvijek biti postavljen tako da je ulje unutar kućišta u dodiru sa zubčanikom,
- dugotrajni rad u obrnutom položaju nije dopušten,
- prijenosnik mora biti mehanički podržan (ne smije visjeti samo na PTO osovini).
3. Smjer rotacije
Prije ugradnje provjerite smjer rotacije PTO osovine i traženi smjer rotacije hidraulične pumpe.
Neispravan smjer rotacije može prouzročiti oštećenje pumpe, neuspjeh brtve i loš protok ulja.
4. Podmazivanje uljem
Prijenosnik mora biti kontinuirano podmazivan uljem unutar kućišta kako bi se osigurao pravilan rad zupčanika. Preporučeno mazivo je zupčano ulje SAE 90.
Prijenosnik treba puniti uljem do kontrolne razine.
Prije prve upotrebe uklonite čep za punjenje, napunite uređaj uljem do oznake razine i zatvorite čep.
Prije svake upotrebe provjerite razinu ulja. Prva promjena ulja preporučuje se nakon 50 radnih sati, a potom svakih 1500 radnih sati ili jednom godišnje.
5. Radna temperatura
Normalna radna temperatura kućišta prijenosnika je između 50 i 80°C. Ako prijeđe 90°C, provjerite razinu ulja, opterećenje i poravnanost.
6. Održavanje i mogući problemi
| Problem | Mogući uzrok | Rješenje |
| Pregrijavanje | Nedostatna razina ulja | Provjerite razinu ulja |
| Buka | Istrošeni ležajevi | Servis |
| Vibracije | Neispravno poravnavanje | Provjerite ugradnju |
| Curjenje ulja | Oštećena brtva | Zamijenite brtvu |









