Novi artikli
HIDRAVLIČNI VENTIL HIAB 8xPC70 + 2x JOYSTICK - ELEKTRO KRMILJENJE 12V
Šifra:
12510
OEM:
9990000073139
Stopnja davka
22 %
Cena brez DDV:
967,21 EUR
Cena z DDV:
1.180,00 EUR
Ref:
10

Informativen izračun ob nakupu na obroke
polog0,00 EUR
6 × 217,38 EUR
polog0,00 EUR
12 × 110,86 EUR
polog0,00 EUR
24 × 57,64 EUR
polog0,00 EUR
36 × 39,94 EUR
polog0,00 EUR
48 × 31,11 EUR
polog0,00 EUR
60 × 25,84 EUR
polog0,00 EUR
72 × 22,34 EUR
polog0,00 EUR
84 × 19,86 EUR
Opis
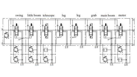
PC70 je sestavljiv (sekcijski) ventil za uporabo na gozdarskih prikolicah z dvigalom (HIAB). Omogoča mehansko in elektro krmiljenje. Hidravlični ventil je sestavljen iz osmih sekcij.



Tuljave:
12/24 V - 60 W (on/off)
Dobavitelj:
Bolgarija
Vračilo ali menjava:
14 dni
Priključni navoj:
A, B in P priključek - 1/2", T priključek - 3/4"
Teža izdelka:
32,3 kg
Nazivni pretok:
70 lit/min
Garancija:
6 mesecev
Delovna temperatura:
od -20°C do +60°C
Max. pretok:
80 lit/min
Max. tlak:
P priključek - 250 bar, T priključek - 50 bar, A in B priključek - 300 bar








