Νέα προϊόντα

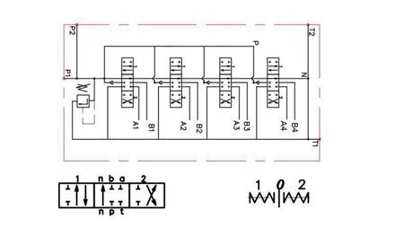
    ΥΔΡΑΥΛΙΚΗ ΒΑΛΒΙΔΑ 4xP80
    ΥΔΡΑΥΛΙΚΗ ΒΑΛΒΙΔΑ 4xP80
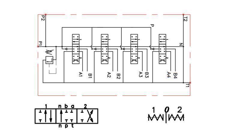
    ΔΙΑΓΡΑΜΜΑ ΚΑΛΩΔΙΩΣΗΣ 4xP80
    ΥΔΡΑΥΛΙΚΗ ΒΑΛΒΙΔΑ 4xP80
    ΥΔΡΑΥΛΙΚΗ ΒΑΛΒΙΔΑ 4xP80
    ΔΙΑΓΡΑΜΜΑ ΚΑΛΩΔΙΩΣΗΣ 4xP80

    ΥΔΡΑΥΛΙΚΗ ΒΑΛΒΙΔΑ 4XP80

    Κωδικός προϊόντος:
    10117
    OEM:
    9990000000548
    Συντελεστής φόρου
    22 %
    Τιμή χωρίς ΦΠΑ:
    168,03 EUR
    Τιμή με ΦΠΑ:
    205,00 EUR
    Ref:
    35
    ΠΡΟΣΘΗΚΗ ΣΤΟ ΚΑΛΑΘΙ

    Γενική περιγραφή:

    Η χειροκίνητη ή μηχανική υδραυλική βαλβίδα Р80 έχει σχεδιαστεί για τη διανομή και τον έλεγχο της ροής εργασίας μεταξύ της υδραυλικής αντλίας και των καταναλωτών (κυλίνδρων, υδραυλικών κινητήρων…).
    Οι υδραυλικές βαλβίδες χρησιμοποιούνται για διάφορους σκοπούς στη γεωργία, τη βιομηχανία, την κατασκευή κ.λπ. για τον έλεγχο:

    • μονής δράσης κυλίνδρων
    • διπλής δράσης κυλίνδρων
    • υδραυλικών κινητήρων
    • πλωτές λειτουργίες (για άροτρο)
    • joysticks (πάνω-κάτω, αριστερά-δεξιά)

    Συναρμολογούνται σε μπλοκ από 1 έως 6 μοχλούς.

     

    Λειτουργία:

    Όλες οι υδραυλικές βαλβίδες είναι εξοπλισμένες με βαλβίδα ασφαλείας. Στη νεκρή θέση (μοχλός στη μέση), το λάδι κυκλοφορεί μέσω της βαλβίδας. Όταν ο μοχλός μετατοπιστεί προς τη μία ή την άλλη πλευρά, η υδραυλική βαλβίδα προκαλεί την κίνηση του κυλίνδρου ή την περιστροφή του υδραυλικού κινητήρα προς τη μία ή την άλλη κατεύθυνση. Μετά την απελευθέρωση του μοχλού, επιστρέφει αυτόματα στη νεκρή θέση, ο υδραυλικός κινητήρας ή ο κύλινδρος σταματά στη τρέχουσα θέση και το λάδι κυκλοφορεί ξανά μέσω της βαλβίδας. Είναι δυνατή η χρήση ενός λεγόμενου στοιχείου 'κλειστού κέντρου', το οποίο αλλάζει τη βαλβίδα έτσι ώστε στη νεκρή θέση, το λάδι να μην κυκλοφορεί μέσω της βαλβίδας ή μια τέτοια βαλβίδα να μην ρέει πλέον. Κατά τη χρήση ή τη σύνδεση άλλων βαλβίδων, είναι απαραίτητο να χρησιμοποιήσετε το στοιχείο 'carry over', το οποίο επιτρέπει την παροχή λαδιού για άλλες βαλβίδες.

    Για βαλβίδες με άξονες για πλωτή λειτουργία, επιτρέπει στον κύλινδρο ελεύθερη ροή λαδιού, που σημαίνει ότι ο κύλινδρος κινείται ελεύθερα (ή το άροτρο προσαρμόζεται στο έδαφος).

    Οι βαλβίδες με άξονες για κυλίνδρους μονής δράσης προορίζονται για κυλίνδρους μονής δράσης.

     

    Κατασκευή:

    Р80 είναι μια μονομπλόκ βαλβίδα διανομής. Είναι κατασκευασμένη από χυτοσίδηρο EN-GJL300. Οι άξονες είναι κατασκευασμένοι από ανθρακούχο χάλυβα και είναι σκληρά χρωμιωμένοι.

     

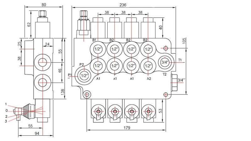
    Συνδέσεις:

    Ο άξονας βιδώνεται με δύο βίδες M8.

    .

    Προμηθευτής:
    Βουλγαρία
    μέγιστη πίεση σύνδεσης "T":
    50 bar
    Επιστροφή ή ανταλλαγή:
    14 ημέρες
    βάρος προϊόντος:
    11.50 κιλά
    ονομαστική ροή:
    80 λ/min
    Εγγύηση:
    6 μήνες
    θερμοκρασία λειτουργίας:
    -40 έως +60°C
    μέγιστη πίεση σύνδεσης "P":
    250 bar
    λειτουργική θερμοκρασία λαδιού:
    -15 έως +80°C
    εργοστασιακά ρυθμισμένη βαλβίδα ασφαλείας:
    180 bar
    εύρος ρύθμισης ασφαλιστικής βαλβίδας:
    50-230 bar
    μέγιστη πίεση σύνδεσης "A" και "B":
    300 bar

    +386 (0) 41 892 655   info@rositeh.si

     

    ROSI Teh d.o.o. Τα πάντα για γεωργική και βιομηχανική υδραυλική Poljčane, ΑΦΜ: SI 42791375,  IBAN: SI56 0443 0000 3103 435

     

    Κουμπιά για ανάλυση
    Χρησιμοποιούνται για την καταγραφή της ανάλυσης επισκεψιμότητας μιας ιστοσελίδας και μας παρέχουν δεδομένα βάσει των οποίων μπορούμε να διασφαλίσουμε μια καλύτερη εμπειρία χρήστη.
    Κουμπιά για κοινωνικά δίκτυα
    Τα cookies που απαιτούνται για τα plugins που επιτρέπουν την κοινή χρήση περιεχομένου από την ιστοσελίδα σε κοινωνικά δίκτυα.
    Κουμπιά για επικοινωνία στην ιστοσελίδα
    Τα cookies επιτρέπουν την υποβολή ερωτημάτων, την επικοινωνία και την αλληλεπίδραση μέσω του plugin επικοινωνίας στην ιστοσελίδα.
    Κουμπιά για διαφημίσεις
    Χρησιμοποιούνται για στοχευμένη διαφήμιση με βάση τις προηγούμενες δραστηριότητες του χρήστη σε άλλες ιστοσελίδες.
    Τι είναι τα cookies;
    Με την επίσκεψη και τη χρήση του ιστότοπου, συναινείτε στη χρήση και την καταγραφή των cookies.Εντάξει Μάθετε περισσότερα για τα cookies