Νέα προϊόντα
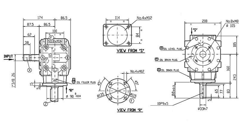
ΓΩΝΙΑΚΟ ΚΙΒΩΤΙΟ T-313J 1:3 (62HP-45.6KW)
Κωδικός προϊόντος:
100566
OEM:
9990000068975
Συντελεστής φόρου
22 %
Τιμή χωρίς ΦΠΑ:
331,97 EUR
Τιμή με ΦΠΑ:
405,00 EUR
Ref:
0
Περιγραφή:
Το γωνιακό κιβώτιο από χυτοσίδηρο είναι ένα ενδιάμεσο στοιχείο μεταξύ του κινητήρα και της εργαλειομηχανής, μεταδίδοντας ισχύ και ταχύτητα σύμφωνα με τις απαιτήσεις της εργαλειομηχανής.
Επιστροφή ή ανταλλαγή:
14 ημέρες
περιστροφή του μειωτήρα:
δεξιά
κωδικός κατασκευαστή:
9.313.875.10
βάρος προϊόντος:
27 κιλά
Εγγύηση:
6 μήνες
Load:
62 HP (45.6 kW)
άξονας εξόδου:
άξονας 33 mm
αναλογία μετάδοσης:
1:3
τύπος μειωτήρα:
T-313J (γωνιακή μετάδοση)
λιπαντικό:
είναι απαραίτητο να ρίξετε λάδι SAE 90 1.5 λίτρα στο μειωτήρα.
άξονας εισόδου:
κάρνταν (1”3/8 – 6 δόντια)


.jpg)

.jpg)
_.jpg)


