Uudet tuotteet
HYDRAULINEN JAKOVENTTIILI VIRTA V1025 DFL 25-40 LIT - 3/8 - 250 BAR (MAX.300 BAR) METALLI
Tuotekoodi:
13690
OEM:
9990000102242
Verokanta
22 %
Hinta ilman ALV:tä:
90,16 EUR
Hinta ALV:n kanssa:
110,00 EUR
Ref:
9
Kuvaus:
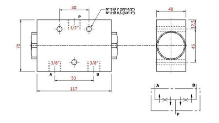
Hydraulista jakoventtiiliä käytetään, kun kaksi identtistä toimilaitetta (jotka eivät ole mekaanisesti kytkettyjä ja joita ohjataan samasta pumpusta yhdellä venttiilillä) tarvitsevat liikkua samanaikaisesti (laajentaminen, leveneminen, purkaminen, puristus, nostaminen ...).
Liitä P paineeseen, A ja B toimilaitteisiin.
Toimittaja:
Italia
max. työpaine:
250 bar
Palautus tai vaihto:
14 päivää
Tuotteen paino:
1.95 kg
Takuu:
6 kuukautta
Kierre:
P = 1/2" A,B = 3/8"
venttiilin virtaus:
25 - 40 litraa
max. paine:
300 bar


%20KOVINSKI.jpg)
%20KOVINSKI.jpg)
%20KOVINSKI.jpg)


