Нови артикули
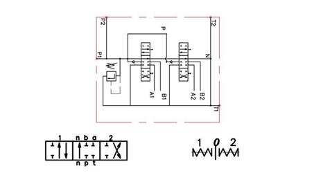
РЪЧЕН ХИДРАВЛИЧЕН ВЕНТИЛ СЕКЦИОНЕН 2xPC70
Код:
12157
OEM:
9990000065516
Данъчна ставка
22 %
Цена без ДДС:
163,93 EUR
Цена с ДДС:
200,00 EUR
Ref:
-1
Доставчик:
България
максимално налягане на свързване "T":
50 бара
Връщане или размяна:
14 дни
Тегло на продукта:
10.20 kg
Номинален поток:
70 литра/мин
Гаранция:
6 месеца
работна температура:
-40 до +60°C
максимално налягане на свързване "P":
250 бара
работна температура на маслото:
-15 до +80°C
фабрично настроен предпазен клапан:
180 бара
обхват на регулиране на предпазния клапан:
50-250 бар
максимално налягане на свързване "A" и "B":
300 бара







